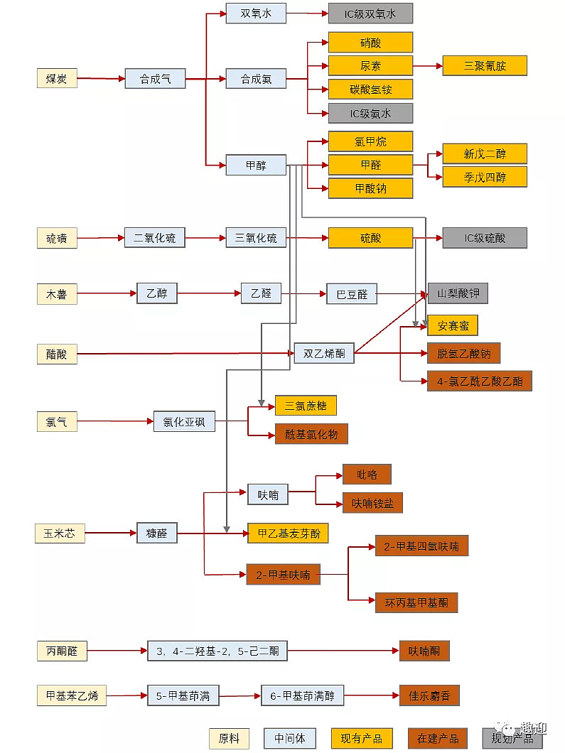
金禾实业(002597):每股净资产 8.94元,每股净利润 1.29元,历史净利润年均增长 24.1%,预估未来三年净利润年均增长 26.75%,更多数据见:金禾实业002597核心经营数据 金禾实业的当前股价 33.87元,市盈率 26.44,未来三年的估值假设和预期收益率如下:15倍PE,预期收益率 30.76%;20倍PE,预期收益率 74.35%;25倍PE,预期收益率 117.94%;30倍PE,预期收益率 161.53%。 本文首发于趣迎公众号今天我们一起梳理一下金禾实业,公司持续专注于食品添加剂、大宗化学品、医药中间体、功能性化工品及中间体等产品的研发、生产和销售,服务于食品饮料、日用消费、医药健康、农业环保及先进制造业等领域的客户。 公司食品添加剂产品主要包括甜味剂和香料产品。甜味剂是能够赋予食品甜味的食品添加剂,公司生产的安赛蜜和三氯蔗糖属于第四代、第五代高倍甜味剂,均具有无能量、甜度高、口感纯正、安全性高等特点。甜味剂主要应用领域包括饮料、餐桌调味品、个人护理产品(如牙膏)、烘焙食品等,尤其在饮料领域应用广泛。 香料产品为甲、乙基麦芽酚、甲基环戊烯醇酮(MCP)及佳乐麝香溶液。甲、乙基麦芽酚及MCP是安全无毒、下游用途广、效果好的食品及日化添加剂,广泛用于烟草、食品、饮料、肉制品、海鲜、香精、果酒、日用化妆品等。佳乐麝香溶液是安全无毒日化香料,广泛用作化妆品、皂用香精,其透发力及扩散性极佳,留香持久,用于调制调合香料及香精。 大宗化学品主要为液氨、双氧水、三聚氰胺、甲醛、硫酸、硝酸、双乙烯酮、氯化亚砜等产品。部分大宗化学品在华东区域甚至在全国范围内,产能及市场占有率均达到领先地位。同时为公司功能性化学品、食品添加剂等提供稳定、高质量的原料。 功能性化工品及中间体主要为季戊四醇、双季戊四醇、糠醛等,是化工行业中重要的功能性化工品或中间体,可用于生产高档涂料、树脂、高级润滑剂、增塑剂、表面活性剂、可降解材料等。 医药中间体主要为呋喃铵盐、乙酰乙酸甲酯、吡啶盐酸盐等产品。呋喃铵盐是精制头孢呋辛原料药或制剂;乙酰乙酸甲酯主要用于医药工业、杀虫剂、除草剂的中间体,广泛用于农药、医药、染料等;吡啶盐酸盐是新一代胃药的重要中间体原料。 甜味剂主要应用领域包括饮料、餐桌调味品、个人护理产品(如牙膏)、烘焙食品等,尤其在饮料领域应用广泛。公司生产的安赛蜜和三氯蔗糖属于第四代、第五代高倍甜味剂,均具有无能量、甜度高、口感纯正、安全性高等特点。 目前糖精和甜蜜素由于消费者对安全性存在疑虑,已经在部分国家或地区被限制使用;阿斯巴甜在全球多国尚被允许使用,但不适用于苯丙酮酸尿患者,且科研机构和消费者对于阿斯巴甜的安全性已经有较多的质疑,在我国,添加阿斯巴甜的食品应标明:“阿斯巴甜(含苯丙氨酸)”。综上所述,在以上几种甜味素中,安赛蜜和三氯蔗糖的安全性较高,价格适宜,其综合性能优于糖精、甜蜜素和阿斯巴甜。因此,基于综合的考虑,安赛蜜、三氯蔗糖将逐渐取代糖精、甜蜜素和阿斯巴甜成为中、高端市场的主要需求产品。 安赛蜜又名AK糖,化学名为乙酰磺酸钾,1967年首次合成,1983和1998年欧盟和美国分别批准其使用,国内也在1992年对其认可,广泛应用于食品、饮料、口腔卫生/化妆品及药剂等领域。2006年,公司通过技术引进开始开展安赛蜜业务,经过不断的工艺改进和流程优化,已处于国内最高水平。 安赛蜜行业具有较高的技术壁垒和准入壁垒。技术壁垒方面,公司已成功打通安赛蜜全产业链,可以自行生产占生产成本29%的原材料双乙烯酮(10000吨/年产能),同时也降低了生产成本,提高产品竞争力。此外,公司还拥有较强的工艺操控能力和生产韧性,以适应安赛蜜生产过程需要低温、强腐蚀连续运转,这也是新进入者的进入的技术障碍。准入壁垒方面,食品添加剂的生产销售需要得到国家的审批认证,这一过程需要耗费1到2年的时间成本。安赛蜜产业链中重要中间体三氧化硫的生产也需要满足国家准入条件,具有准入壁垒,小规模的新进入者无法达到准入条件,安赛蜜在政策上也有准入的难度。 目前公司拥有安赛蜜产能 1.2 万吨/年,全球市占率 65%以上,具备全球绝对定价权。目前安赛蜜价格 6.5 万元/吨,行业景气度处于历史高位,预计减糖趋势下安赛蜜需求将继续稳定增长,拉动公司安赛蜜销量持续增加,安赛蜜高景气下将持续贡献公司盈利。 三氯蔗糖又名三氯半乳蔗糖、蔗糖素,由英国和美国共同研制的白色粉末状产品,无异味、无吸湿性、对光、热、PH 均稳定,极易溶于水,以蔗糖为原料经氯代制得,甜度约为蔗糖的600-650 倍,甜味接近白糖。三氯蔗糖是以蔗糖为原料的功能性甜味剂,并具有较好的溶解性和稳定性,对涩味、苦味、酒味等味道有掩盖效果,在食品和保健品领域应用广泛,与其他甜味剂复配也有显著增效作用。 三氯蔗糖合成工艺主要有单基团保护法和全基团保护法两类,全基团保护法没有工业化价值,而单基团保护法生产流程很长,涉及多步化学反应,对工艺参数控制和经验操作要求很高。公司在生产相同类型的产品安赛蜜取得成功的基础上,于2016年开始使用单基团保护法批量化生产三氯蔗糖,通过工艺技术的不断优化,据中国产业信息网统计,产品收率提高至45%,远高于国内平均30%-35%的收率,仅次于英国泰莱的50%。 目前公司 5000 吨/年三氯蔗糖项目主体工程已完成建设并开始试生产,全面投产后三氯蔗糖产能将达到 8000 吨/年,全球市占率 60%以上,公司将成为全球三氯蔗糖行业龙头,三氯蔗糖行业落后产能进一步出清后,三氯蔗糖价格触底反弹时点即将到来,预计三氯蔗糖价格今年上涨,带来明后年业绩大幅增加。 甲乙基麦芽酚下游主要为香料和日化,香料使用上,乙基麦芽酚较甲基麦芽酚的增香效果更好,因此乙基麦芽酚在作为香料使用时,比甲基麦芽酚应用更广;乙基麦芽酚的熔点为 90°C,甲基麦芽酚的熔点可以达到 160°C,因此,甲基麦芽酚可应用于烘焙制品上。此外,甲基麦芽酚在医药中间体制造中也有较多应用。 公司麦芽酚生产工艺行业领先,具体体现在:(1)对传统格式反应过程进行了改进,克服了反应压力高、操作控制困难、生产周期长、收率低的缺点,同时能更好回收反应过程中四氢呋喃溶剂;(2)研发的母液处理方法可分离出氯仿循环使用,将半成品物料回收进系统再加工,能够充分回收母液中甲乙基麦芽酚产品,使产品总收率提高3%。 公司目前具备 5000 吨/年甲乙基麦芽酚产能,由子公司金沃科技作为实施主体的年产 5000 吨甲乙基麦芽酚项目已于 2020 年 4 月取得环评批复,目前正在积极推进项目建设的相关工作,这部分产能投产后将进一步强化公司龙头地位。 一、甜味剂龙头企业 金禾实业成立于1974 年来安县化肥厂,从事煤化工,主营产品尿素、碳酸氢铵等化肥产品;2003 年进入香料领域;2006 年进入甜味剂领域,完善基础化工业务布局;2011 年在深交所中小板挂牌上市;2015年新增三氯蔗糖,安赛蜜产能扩张;2017年公司转让基础化工业务板块子公司华尔泰,剥离华尔泰优化公司产业结构,集中资源聚焦精细化工业务;公司在2017年发行可转债进一步提升三氯蔗糖产能,同时在定远投资建设循环经济产业园一期项目,发展糠醛及下游配套产品、氯化亚砜等项目,扩建三氯蔗糖、麦芽酚产能,精细化工业务占比进一步提升;2019年公司新一代领导人杨乐正式当选董事长,引领公司“二次创业”,迈入发展新阶段。 二、业务分析 2015-2020年,本文后续发表于趣迎公众号 趣迎是一个专注消费领域的公众号,如果你觉得我们的文章还不错可以点一下“在看”,让更多人看到我们的文章,也可以点击下方二维码关注我们,和我们一起梳理优质个股,一起成长。如果想看更多消费领域文章,可以点击下方二维码关注我们进入公众号主页搜索。如果你有不一样的想法,也可以和我们交流,也可以给我们投稿。 作者:享迎价值汇原文链接:https://xueqiu.com/2150383668/176841225 转载请注明:www.51xianjinliu.com » 甜味剂龙头企业金禾实业 喜欢 (0)or分享 (0)